Features
◇ 1.5 bellows.It has good sealing performance for workpiece with uneven surface and height compensation during handling.
◇ Aluminum alloy mounting plate and vacuum pad are integratedly vulcanized, stable and reliable.
◇ With soft and tapered lip, and support frame on bottom
Applications
◇ Objects with uneven surface
◇ Steel plate
◇ Carton box
◇ Rubber products
| How to order | ||||
| SBB 200 N -G4F ① ② ③ ④ | ||||
| ① Series | ② Diameter | ③ Material & Hardness | ④ Connection thread | |
| SBB | 200 - φ200mm 250 - φ250mm 300 - φ300mm | N - NBR | 4GF - G1/2 Female thread | |
| Technical parameters | |||||
| Model | Pull-out force (N) | Inner volume (cm3) | Min. curve radius of workpiece (mm) | Recommended hose dia. (mm) | Weight (g) |
| SBB200 | 850 | 790 | 350 | 12 | 860 |
| SBB250 | 1,620 | 1,677 | 480 | 12 | 1,012 |
| SBB300 | 2,390 | 2,950 | 580 | 12 | 1,650 |
◇ Note: Testing vacuum level -60kPa.Workpiece with smooth and clean surface. The data of pull-out force as above
are figured out without considering safety factor. The data may be different according to different workpiece surfaces.

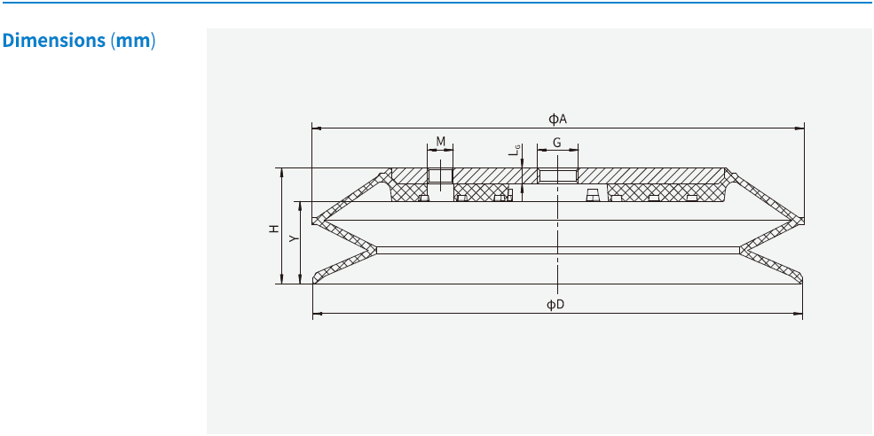
| Model/ Size | D | A | H | Y | G | LG | M |
| SBB200 | 200 | 206 | 57 | 40 | G1/2 | 8 | - |
| SBB250 | 250 | 251 | 60 | 43 | G1/2 | 8 | G1/4 |
| SBB300 | 300 | 306 | 77 | 57 | G1/2 | 8 | G1/4 |
◇Note: Please refer to suction cup with locking fitting and level compensator on page 24.